Precision cylindrical surfaces

KS-387 - Measurement of diameter, straightness and cylindricity of the jet bore

The measuring station designed for diameter, straightness and cylindricity jet bore measurement consists of a rigid foundation plate. On the plate, there is a linear guideway the carriage of which is operated by a program-controlled stepping motor. Using 4 screws, it is possible to fasten one of five clamps on the carriage, according to the type of the jet measured. The measurement itself is realized by means of a dynamic measurement pin (see attachment), which measures the internal diameter of the jet using adjustable number of cross-sections, and, furthermore, the circularity and straightness. As an integral part of the station there is worktable plate, switchboard and evaluation electronics.

Parameters measured:

  • Internal diameter measurement of the jet from Ø4 + 0,002 mm in 10 cross-section
  • Circularity 0,002 mm
  • Straightness 0,002 mm

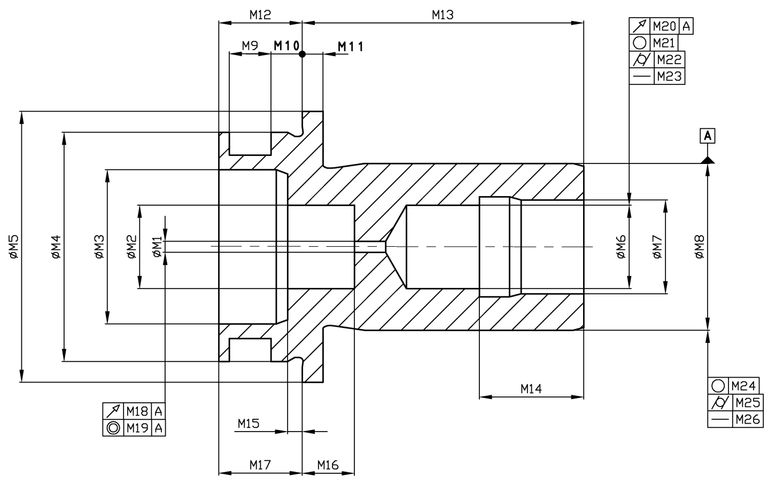
Example of measured parameters

KS-388 Measurement of diameter, conicalness, circularity and straightness of jet needles

On the stand frame, there is a linear guideway on which the clamp table, along with the measuring component i.e. a needle moves. As an integral part of the table there is clamping mechanism and propulsion of the measured component. Furthermore, on the frame, there are 2 adjustable gauges fastened that scan the data intended for evaluation in the Amest electronic system. The table with the clamped component, which is being measured, moves by means of a screw that is operated by a controlled stepping motor.

Parameters measured:

  • Measurement of the external jet diameter from Ø3 + 0,002 mm in 10 cross-section
  • Circularity 0,002 mm
  • Straightness 0,002 mm
  • Cylindricity 0,002 mm

Example of measured parameters

KS-366/KS-363 Dynamic measurement of the internal diameter of slide valves

The station is designed for measurement of internal diameters after the honing process was completed. The measurement on a stand is carried out automatically after a component has been loaded. The station has an electronic measuring and evaluation system, a switchboard and an air treatment unit.

The measurement stand consists of a foundation plate, dynamic pin with 4 replaceable tips, 4 replaceable clamping sets for the respective standardized size with a hold intended for the linear guideway and a sliding system with 3 pneumatic cylinders with continuous adjustable backstops. The movement of the measuring components towards the measuring positions is pneumatic; the control consists of 2 push buttons positioned on the table.

The measured parameters of the KS-366 measuring station:

  • Measurement of internal diameters from Ø4 ± 0,0015 mm
  • Circularity 0,002 mm
  • Straightness 0,002 mm

The measured parameters of the KS-363 measuring station:

  • The internal diameters from as little as 0,53 mm with a tolerance of ± 0,02 mm
  • Cylindricity 0,020 mm

Other products